Найти операторную передаточную функцию фильтра, составив и решив систему узловых уравнений; получить выражения для АЧХ и ФЧХ фильтра, построить их графики и указать тип фильтра
- Электроника, электротехника, радиотехника
Условие:
РАСЧЕТ ARC-ФИЛЬТРА . Для заданного фильтра требуется:
найти операторную передаточную функцию фильтра, составив и решив систему узловых уравнений;
получить выражения для АЧХ и ФЧХ фильтра, построить их графики и указать тип фильтра (ФНЧ, ФВЧ, ПФ) (0 ≤ f ≤ 10 кГц);
найти переходную характеристику первого звена фильтра и построить ее график (0 ≤ t ≤ 10 мc);
оценить допустимую величину ступенчатого воздействия на фильтр, если напряжение на входе усилителя второго звена во избежание его перегрузки не должно превышать 0,2 В;
убедиться в устойчивости фильтра по расположению полюсов его передаточной функции, показав их на комплексной плоскости;
определить значение коэффициента усиления усилителя первого звена фильтра, при котором цепь будет находиться строго на границе устойчивости. Указать, чему при этом равна частота свободных колебаний в каскаде.

Решение:
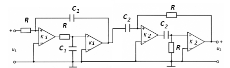
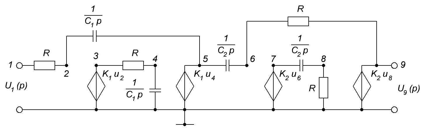
1. Составляем схему замещения цепи, заменив усилители с конечным усилением источниками напряжения управляемым напряжением (ИНУН) в соответствии с условием задания.

Рисунок 1.1. Схема замещения цепи ARC-фильтра.
Для полученной схемы составляем узловые уравнения и находим выражение, связывающее напряжения на входе и выходе цепи.
Похожие задачи
Не нашел нужную задачу?
Воспользуйся поиском
AI помощники
Выбери предмет
- Правоохранительные органы
- Пожарная безопасность
- Парикмахерское искусство
- Природообустройство и водопользование
- Почвоведение
- Приборостроение и оптотехника
- Промышленный маркетинг и менеджмент
- Производственный маркетинг и менеджмент
- Процессы и аппараты
- Программирование
- Право и юриспруденция
- Психология
- Политология
- Педагогика
- Трудовое право
- Теория государства и права (ТГП)
- Таможенное право
- Теория игр
- Текстильная промышленность
- Теория вероятностей
- Теоретическая механика
- Теория управления
- Технология продовольственных продуктов и товаров
- Технологические машины и оборудование
- Теплоэнергетика и теплотехника
- Туризм
- Товароведение
- Таможенное дело
- Торговое дело
- Теория машин и механизмов
- Транспортные средства