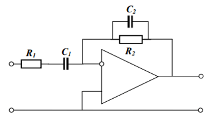
Условие:
Найти передаточную W(s) функцию электрической схемы.
Найти переходную h(t) и весовую g(t) функции.


Найти передаточную W(s) функцию электрической схемы.
Найти переходную h(t) и весовую g(t) функции.

Уравнение ПФ системы:

Чтобы найти уравнение переходной характеристики h(t), нужно домножить ПФ на 1/s (изображение единичного сигнала по Лапласу) и выполнить обратные преобразования Лапласа полученного выражения:
Не нашел нужную задачу?