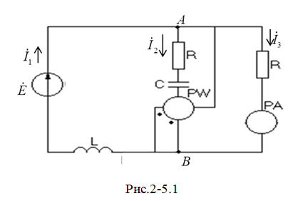
Условие:
- Начертить электрическую схему и записать исходные данные;
- Определить действующие значения токов в ветвях цепи и напряжений на отдельных участках;
- Определить численные значения и знаки углов сдвига фаз токов и напряжений;
- Записать мгновенные значения токов в ветвях цепи;
- Составить уравнения баланса активной, реактивной и полной мощности и проверить их;
- Построить векторную диаграмму токов;
- Определить показания приборов.




