Условие:
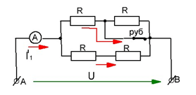
Что покажет амперметр после замыкания рубильника, если до замыкания он показывал ток I1=9 A? Напряжение в обеих случаях постоянно.
Схема цепи - рубильник разомкнут:

Схема цепи - рубильник замкнут:


Что покажет амперметр после замыкания рубильника, если до замыкания он показывал ток I1=9 A? Напряжение в обеих случаях постоянно.
Схема цепи - рубильник разомкнут:

Схема цепи - рубильник замкнут:

Определим эквивалентное сопротивление всей цепи до замыкания рубильника.

Напряжение, приложенное к зажимам цепи.
Не нашел нужную задачу?