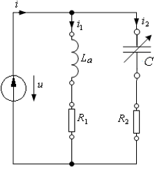
Условие:
Для цепи рис. 1 построить круговую диаграмму (геометрическое место конца вектора тока генератора) при изменении емкости конденсатора от нуля до бесконечности. Частота f=50 Гц. Параметры остальных элементов La=0,13 Гн, R1=68 Ом, R2=47 Ом.
Исходные данные:

Рис. 1
Параметры схемы:


