Условие:
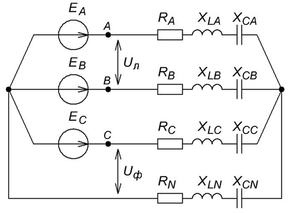
Для четырёхпроводной асимметричной цепи трехфазного переменного синусоидального тока, представленной на рисунке, построить векторные диаграммы напряжений и определить средний коэффициент мощности электроприемника при исправном и оборванном нулевом проводе, а также составить баланс мощностей при исправном нулевом проводе.

Рис. 1 Трехфазная асимметричная цепь трехфазного переменного синусоидального тока
Таблица 1 – Исходные данные



фазные напряжения ЭДС;