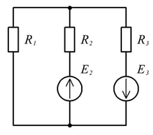
Условие:
Для электрической цепи, составленной из резистивных элементов и источников ЭДС постоянного напряжения дана схема. По заданным в таблице параметрам методом законов Кирхгофа определить:
1) Токи во всех ветвях схемы (I1, I2, I3,).
2) Падение напряжений на каждом из резисторов (U1, U2, U3,).
3) Проверить правильность решения методом баланса мощностей.


Рис. 1. Заданная схема

