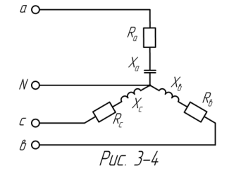
Условие:
Для электрической схемы, изображенной на рисунке 3-4 по заданным в таблице параметрам и линейному напряжению определить фазные и линейные токи, ток в нейтральном проводе (для четырёхпроводной схемы ), активную мощность всей цепи и каждой фазе отдельно. Построить векторную диаграмму токов и напряжений на комплексной плоскости.



