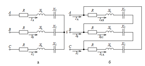
Условие:
Исходные данные. В трехфазную сеть с напряжением U включены три одинаковых приемника энергии (рис. 1). Сопротивления приемника равны R и XL или XC.
Определить:
1. Фазные и линейные токи.
2. Определить коэффициент мощности, активные и реактивные мощности всей цепи и каждой фазы отдельно.
3. Построить топографические диаграммы.
Задачу решить для случаев, когда приемники энергии соединены звездой (рис. 1, а), а затем треугольником (рис. 1, б). Сравнить полученные результаты.


Рисунок 1 – Схема цепи


