Условие:
Опишите характеристики двигателей постоянного тока с параллельным возбуждением. Их преимущества и недостатки. Покажите на рисунке Схему двигателя параллельного возбуждения.

Опишите характеристики двигателей постоянного тока с параллельным возбуждением. Их преимущества и недостатки. Покажите на рисунке Схему двигателя параллельного возбуждения.
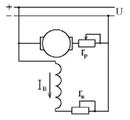
Электродвигателем параллельного возбуждения называется двигатель постоянного тока, обмотка возбуждения которого включена параллельно обмотке якоря (рис. 1). При снятии характеристик к цепи якоря подводится номинальное напряжение Uн=const.

Рис. 1 Схема двигателя параллельного возбуждения
Ток, потребляемый двигателем из сети, определяется суммой I=Ia+Iв, ток возбуждения обычно равен Iв=(0,03...0,04)...
Не нашел нужную задачу?