Условие:
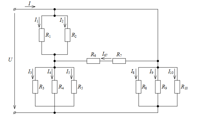
Задана электрическая цепь постоянного тока смешанного соединения, состоящая из 10 резисторов (рис. 1.1).
Определить:
– эквивалентное сопротивление цепи,
– мощность, напряжение или силу тока на входе цепи;
– токи и напряжения на всех элементах цепи. В ходе решения выполнить несколько проверок полученных результатов по законам Кирхгофа.
Дано:


Рисунок 1.1 – Исходная заданная цепь

определяем как величину, обратную суммарной проводимости: