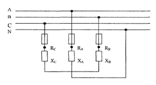
Условие:
К трехфазной линии с линейным напряжением UЛ=380 В, подключены три одинаковых приёмника, соединенных звездой. Активное и реактивное сопротивления каждого приемника равны R=3 Ом и Х=1 Ом. Определить токи и фазах нагрузки и линейных проводах, также потребляемую нагрузкой активную мощность в режимах: а) симметричном трехфазном, б) при обрыве одной фазы нагрузки.


фазы а направлен по действительной оси, тогда соответственно