Условие:
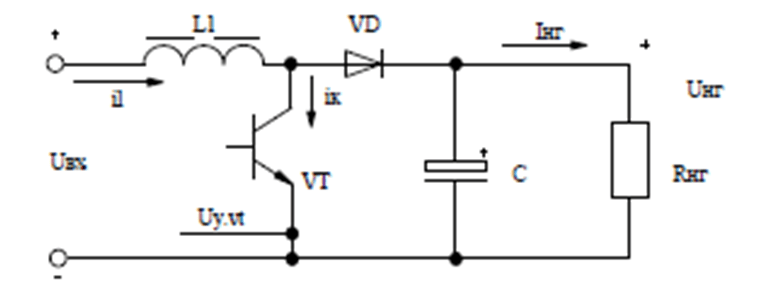
Расчет стабилизатора напряжения постоянного тока, выполненного по схеме
однотактного преобразователя постоянного напряжения с параллельным ключевым элементом (ОППН-II).
Исходные данные: UНГ=165 В, IНГ=3,5 А, ΔUНГ=0,11%, kП2=0,06, UВХ=100 В, ΔUВХ=25%, θС=250С.

Требуется рассчитать:
- значения коэффициента заполнения импульса Dmax, Dmin, DN при различных
значениях входного напряжения;
- индуктивность дросселя и выбрать его;
- емкость конденсатора фильтра Сф и выбрать его;
- выполнить проверку фильтра на обеспечение заданного коэффициента
пульсаций напряжения нагрузки;
- загрузку транзистора и диода по току и напряжению и выбрать их;
- и построить регулировочную характеристику ОППН-II;
- и построить внешнюю характеристику ОППН- II;
- потери мощности и КПД преобразователя;
- площадь радиатора для охлаждения транзистора;
- выполнить статический расчет спроектированного стабилизатора
напряжения;
- используя программу SIMULINK, выполнить оценку реакции спроектированной системы на возмущение по каналу управления и по цепи нагрузки.

