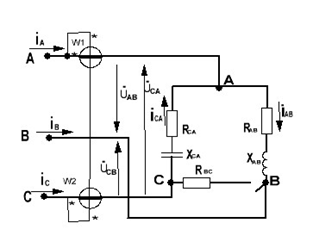
Условие:
Потребитель электроэнергии, фазы которого имеют комплексные сопротивления:

cоединены в трехфазную электрическую цепь «треугольником»,питается симметричной системой линейных напряжений:

Определить:
- фазные Iф и линейные IЛ токи потребителя;
- показания ваттметров W1 и W2;
- полную и реактивную мощности всей системы;
- активную мощность системы по формуле Арона.
Построить:
- векторную диаграмму токов и напряжений с учетом характера нагрузки.
Для указанного в условии задачи, при соединении потребителей «треугольником» рассчитать токи при обрыве нагрузки в ветви ВС. Построить векторные диаграммы.


Рис.1. Включение потребителей по схеме «треугольник»


