Условие:
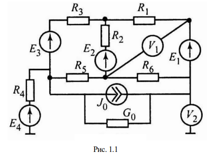
Исходная схема:

Исходные данные:

Определить входное напряжение по заданным параметрам.

Исходная схема:

Исходные данные:

Определить входное напряжение по заданным параметрам.
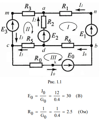
Исключаем из схемы ветвь с источником Е4 и сопротивлением R4, т. к. эта ветвь подключена к цепи через волтметр V2. Выбираем направления токов в ветвях схемы и направления обхода контуров. Преобразуем источник тока J0
с проводимостью G0 в эквивалентный источник ЭДС E0 с сопротивлением R0 (рис. 1.2).

Составляем уравнения по первому закону Кирхгофа: