Условие:
1. Рассчитать переходный и установившийся режимы в цепи после коммутации (найти токи и напряжения на всех элементах цепи).
2. Построить математическую модель цепи по результатам расчёта переходного процесса. Вывести результаты расчёта на один график.
3. Сравнить результаты расчёта с исходными уравнениями цепи.

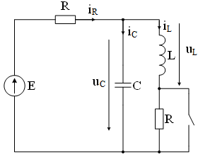
Рис. 1 - Схема цепи

Рис. 2 - График воздействия



