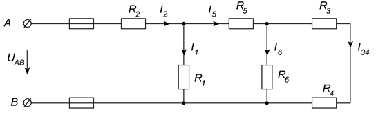
Условие:
Цепь постоянного тока содержит шесть резисторов, соединенных смешанно. Схема цепи и значения резисторов указаны на соответствующем рисунке. Индекс тока или напряжения совпадает с индексом резистора, по которому проходит этот ток или на котором действует указанное напряжение. Например, через резистор R5 проходит ток I5 и на нем действует напряжение U5 .
Определить:
1) эквивалентное сопротивление цепи относительно вводов AB ;
2) ток в каждом резисторе;
3) напряжение на каждом резисторе;
4) расход электрической энергии цепью за 10 ч.
С помощью логических рассуждений пояснить характер изменения одного из значений, заданных в таблице вариантов (увеличится, уменьшится, останется без изменений), если заданный в таблице резистор либо замыкается накоротко, либо выключается из схемы. В случае возникновения трудностей логического пояснения следует рассчитать указанное значение в измененной схеме и дать ответ.




