Решение задачи
Требуется: - вычислить токи в ветвях цепи символическим методом, - составить баланс мощностей для проверки правильности решения, - построить треугольник: токов (для одного узла), напряжений и мощностей (одного из элементов),
- Электроника, электротехника, радиотехника
Условие:
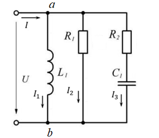
Требуется:
- вычислить токи в ветвях цепи символическим методом,
- составить баланс мощностей для проверки правильности решения,
- построить треугольник: токов (для одного узла), напряжений и мощностей (одного из элементов),
- построить осциллограммы мгновенных токов на одном из узлов, мгновенных напряжений (для одного из контуров), а также тока, напряжения и мощности на одном из элементов.
Частоту источника питания принять равной 50 Гц.
Исходные данные:


Решение:
Определим токи во всех ветвях схемы методом преобразований.
Напряжение и сопротивления в комплексном виде

Определим реактивные сопротивления

Похожие задачи
Не нашел нужную задачу?
Воспользуйся поиском
AI помощники
Выбери предмет
S
А
Б
В
Г
И
К
М
П
- Правоохранительные органы
- Пожарная безопасность
- Парикмахерское искусство
- Природообустройство и водопользование
- Почвоведение
- Приборостроение и оптотехника
- Промышленный маркетинг и менеджмент
- Производственный маркетинг и менеджмент
- Процессы и аппараты
- Программирование
- Право и юриспруденция
- Психология
- Политология
- Педагогика
Р
С
Т
- Трудовое право
- Теория государства и права (ТГП)
- Таможенное право
- Теория игр
- Текстильная промышленность
- Теория вероятностей
- Теоретическая механика
- Теория управления
- Технология продовольственных продуктов и товаров
- Технологические машины и оборудование
- Теплоэнергетика и теплотехника
- Туризм
- Товароведение
- Таможенное дело
- Торговое дело
- Теория машин и механизмов
- Транспортные средства
Ф
Э