Условие:
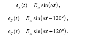
Трехфазный генератор создает симметричную систему ЭДС с прямой последовательностью чередования фаз:

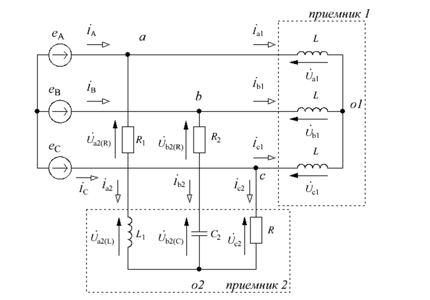
1. Рассчитать в комплексной форме токи в ветвях и напряжения на элементах цепи.
2. Определить активную и реактивную мощности источников ЭДС и сравнить их с суммой активных и реактивных мощностей пассивных элементов цепи.
3. Построить векторные диаграммы токов и топографические диаграммы напряжений:
а) для симметричной части приемника;
б) для несимметричной части приемника.
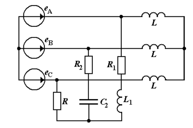
Схема электрической цепи изображена на рисунке 1. Исходные данные приведены в таблице 1.
Таблица 1 – Исходные данные для расчета


Рисунок 1 – Схема электрической цепи

