Условие:
Задана трехфазная цепь (см. рис.3.1.), соединенная по схеме «звезда с нейтральным проводом». Генератор трехфазного тока является источником бесконечной мощности, т.е. системы фазных и линейных напряжений на его зажимах всегда остаются симметричными и неизменными по величине при любых токовых нагрузках в трехфазной цепи.
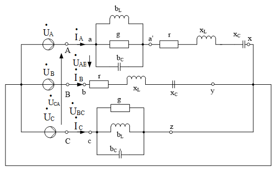
Приемник является несимметричным, поскольку комплексы сопротивления его фаз a−x, b−y и c−z не равны друг другу. В каждой фазе имеется полный набор сопротивлений и проводимостей в соответствии со схемами, приведенными на рисунке 3.4а, б, в.
Рис. 3.1
Рис. 3.4
Численные значения всех элементов в фазах приемника, а также величина фазного напряжения генератора выбираются студентами из таблицы 3.1 по двум последним цифрам учебного шифра.
Таблица 3.1

Требуется:
1. Изобразить схемы фаз приемника согласно рисунку 3.4а, б, в.
2. Записать в комплексной форме сопротивления фаз приемника, преобразовав разветвленные участки эквивалентными неразветвленными. Представить эти сопротивления в алгебраической и показательной формах:

- соответственно аргументы и модули комплексных сопротивлений фаз приемника.
3. Составить и изобразить расчетную схему цепи, включив в нейтральный и линейные провода амперметры (см. рис. 3.5). На схеме показать все величины в комплексной форме с учетом того, что концы фаз приемника x, y, z объединены в нейтральную точку n и на схеме не показаны.
Рис. 3.5
4. Рассчитать нормальный режим работы цепи (ключ К на рис. 3.5 замкнут). Определить показания амперметров и рассчитать мощности фаз приемника: активные, реактивные и полные. Построить топографическую векторную диаграмму токов и напряжений на комплексной плоскости с соблюдением масштабов, показом углов сдвига
и графического построения вектора 
5. Рассчитать режим работы при обрыве нейтрального провода (ключ К на рис. 3.5 разомкнут). Определить показания амперметров и рассчитать активные, реактивные и полные мощности приемников. Построить топографическую векторную диаграмму, сохранив масштабы, выбранные в предыдущем пункте.


