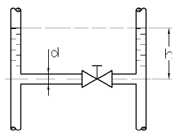
Условие:
Две вертикальные трубы центрального отопления соединены горизонтальным участком, на котором установлена задвижка диаметром d = 0,2 м. Температура воды в правой вертикальной трубе 80°C, а в левой — 20°C.
Найти разность сил суммарного давления на задвижку справа Pпр и слева Pл.
Высота воды в вертикальных трубах над уровнем горизонтальной трубы h =20м



