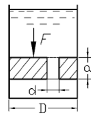
Условие:
На поршень диаметром D действует сила F. Определить скорость движения поршня при диаметре отверстия в поршне d и толщине поршня a.

Рисунок 4.11 − Схема к задаче.
Исходные данные: Вариант 2
D = 120 мм; F = 1,2 кН, d = 2,2 мм; а = 10 мм;

На поршень диаметром D действует сила F. Определить скорость движения поршня при диаметре отверстия в поршне d и толщине поршня a.

Рисунок 4.11 − Схема к задаче.
Исходные данные: Вариант 2
D = 120 мм; F = 1,2 кН, d = 2,2 мм; а = 10 мм;
Запишем формулу расхода Q при истечении жидкости отверстия диаметром d.

где g = 9,81 м/с2 ускорение свободного падения;
p давление, возникающее в поршневой полости, Па.
Найдем отношение толщины поршня a к диаметру отверстия d.