Условие:
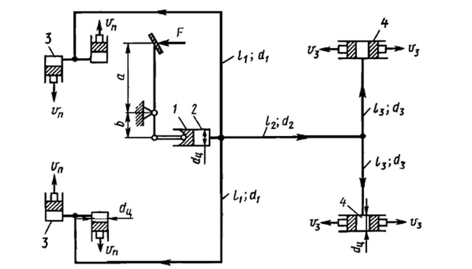
В гидротормозной системе автомобиля передача усилия F от ножной педали к тормозам колёс производится посредством жидкости, вытесняемой поршнем 1 из главного тормозного цилиндра 2 по трубопроводам в рабочие тормозные цилиндры передних 3 и задних 4 колёс. На первом этапе торможения за счёт хода поршней рабочих цилиндров выбирается зазор между тормозными колодками и барабанами. На втором этапе торможения происходит сжатие всего объёма жидкости V в системе, выравнивание давления и прижатие колодок к барабанам. Диаметры всех цилиндров одинаковы. Определить: 1) скорости перемещения поршней колёсных тормозных цилиндров для передних (υп) и эадних (υз); 2) ход педали, необходимый для упругого сжатия тормозной жидкости в системе. Плотность жидкости 𝜌 , модуль объёмной упругости 1/𝛽р, жидкость – минеральное масло, вязкостью 𝜈.

Рисунок 4. Схема тормозной системы автомобиля
F =450 H; α/b=5; dц=21 мм = 0,021 м; ℓ 1 =2 м; ℓ 2 = 2,5 м; ℓ 3 = 1м; d1 = 4 мм = 0,004 м; d2 = 5 мм = 0,005 м; d3 = 4 мм = 0,004 м; V = 0,45 л; 𝜌 = 1000 кг/м3; 𝜈 = 0,1∙10-3м2/с; 1/𝛽р =103 МПа.
