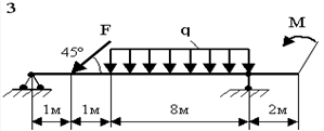
Условие:
Схема 3; F = 2 кН; q = 4кН/м; М = 4 кН·м.
Требуется: Определить реакции опор.


Схема 3; F = 2 кН; q = 4кН/м; М = 4 кН·м.
Требуется: Определить реакции опор.

Освобождаем балку от связей (опор), заменяя их действия, реакциями опор.
Реакцию шарнирно-неподвижной опоры А, раскладываем на две составляющие:
а) горизонтальную - ХА и б) вертикальную - YА.
Распределенную нагрузку q заменяем на сосредоточенную силу, модуль которой равен: Q = q8 = 48 = 32 кН. Точка приложения этой силы - середина участка на котором действует распределенная нагрузк...
Не нашел нужную задачу?