Условие:
1. Выполнить размерный анализ цепи с заданным замыкающим звеном.
2. Проверить правильность составления заданной размерной цепи.
3. Установить единицы допуска составляющих звеньев, допуски которых требуется определить.
4. Определить допуск замыкающего звена.
5. Определить средний коэффициент точности заданной размерной цепи.
6. Установить квалитет, по которому следует назначать допуски на составляющие звенья.
7. По установленному квалитету назначить допуски и отклонения на составляющие звенья.
8. Сделать проверку правильности назначения предельных отклонений.
9. Если условия проверки не соблюдаются, рассчитать отклонения корректирующего звена и его допуск.
10. Проверить правильность назначения допусков на составляющие звенья размерной цепи.
11. Результаты расчетов занести в таблицу
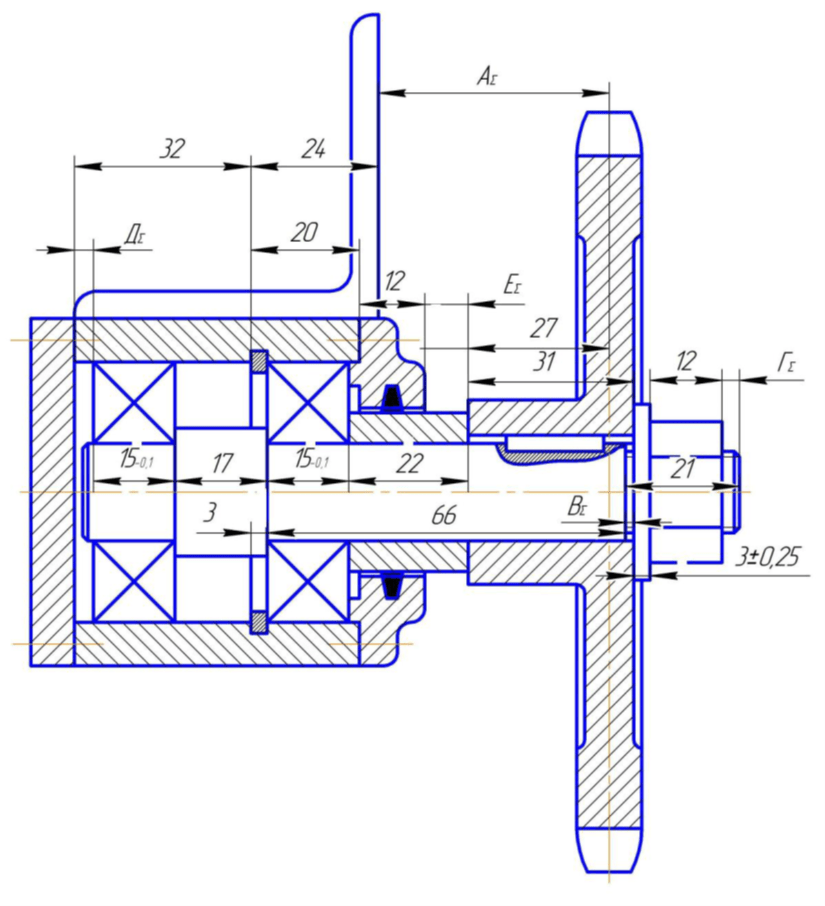
Исходные данные
– эскиз узла с указанием замыкающего звена

– номинальный размер и предельные отклонения замыкающего звена
Д∆ = 3 ± 0,25

