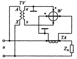
Условие:
Дано: входное напряжение измерительной цепи u ; сопротивление нагрузки Zн ; номинальное значение тока I2, протекающего через токовую обмотку ваттметра; номинальное падение напряжения U2 на обмотке напряжения ваттметра:

Найти коэффициенты трансформации KI и KU работающих с ваттметром трансформаторов тока и напряжения TA и TV соответственно. Рассчитать мощность нагрузки P.

