Условие:
Пользуясь измеренными значениями токов и напряжений, а также зная длину рельсовой цепи, необходимо вычислить её первичные и вторичные параметры.
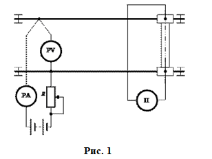
Метод измерения параметров рельсовых цепей, а также необходимые исходные данные следует выбрать из таблицы. При решении задачи помимо расчета следует привести схему реализации метода измерений.


