Условие:
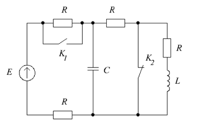
Для заданной схемы (см. рис. 1) при коммутации ключа К1 в момент, когда ключ К2 еще не сработал, выполнить следующее.
1. При постоянном источнике ЭДС e(t) = E определить ток i(t) или напряжение u(t) :
- классическим методом
- операторным методом.
Построить график зависимости тока i(t) или напряжения u(t).
2. Проанализировать методы расчета, результаты вычислений, графики зависимостей и сформулировать выводы по работе.
Параметры элементов исследуемой электрической цепи приведены в таблице 1.
Таблица 1 – Исходные данные


Рисунок 1 – Схема электрической цепи

