Условие:
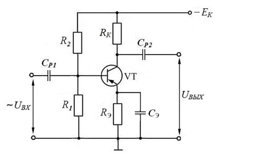
Провести графоаналитическое исследование режима работы в классе А и определить основные параметры транзисторного усилителя каскада в схеме с ОЭ при одном источнике питания ЕК с автоматическим смещением и эмиттерной стабилизацией рабочего режима, т.е. с последовательной отрицательной обратной связью по постоянной составляющей эмиттерного тока, проходящего через RЭ.
Дано:
Тип транзистора МП42; ЕК =10 В; IБ0= 0,4 мА; IK(кз) =40 мА; fН =500 Гц.
Определить:
IK0; UKЭ0 ; UБЭ0; IБМ; IKМ; UKЭМ; UБЭМ; RГ; RК; RН; СР1; СР2; СЭ; KU; KI; KP; η; S.
выбрать типовые значения рассчитанных элементов

Рис.1. Усилительный каскад с общим эмиттером и эмиттерной стабилизацией режима


