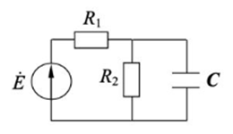
Условие:
Схема цепи, изображенная на рисунке, возбуждается гармонической ЭДС, имеющей частоту
и комплексную амплитуду 

Найдите выражения, описывающие комплексное сопротивление и комплексную проводимость пассивной части цепи, и рассчитайте их численные значения на заданной частоте.
Определите комплексную амплитуду тока в неразветвленной части цепи и комплексные амплитуды напряжений на резисторах.
Постройте векторную диаграмму напряжений в цепи, отображающую II закон Кирхгофа.
Номинальные значения емкости конденсатора и сопротивлений резисторов, а также частота ЭДС w0 приведены в таблице 2.
Рассчитайте комплексные мощности на всех элементах цепи, в том числе и на источнике ЭДС. Покажите выполнение баланса мощностей.
Таблица 2

Решение:
1. Комплексное сопротивление пассивной части цепи:

2. Комплексная проводимость:

3. Рассчитываем численные значения:
