Условие:
В электронной схеме, изображенной на рис.1, транзисторы работают в ключевом режиме. Определите напряжение Uкэ между коллектором и эмиттером VT3 при замыкании ключа S. Поясните принцип действия схемы.


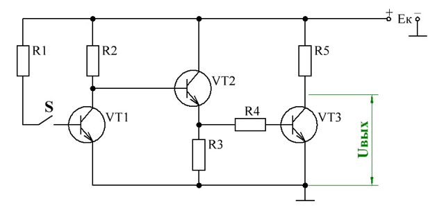
В электронной схеме, изображенной на рис.1, транзисторы работают в ключевом режиме. Определите напряжение Uкэ между коллектором и эмиттером VT3 при замыкании ключа S. Поясните принцип действия схемы.

Если ключ разомкнут, значит на базу транзистора VT1 (включенного по схеме ОЭ) НЕ поступает тока и напряжение смещения от источника Ек, поэтому VT1 закрыт и его напряжение Uкэ1...
Не нашел нужную задачу?