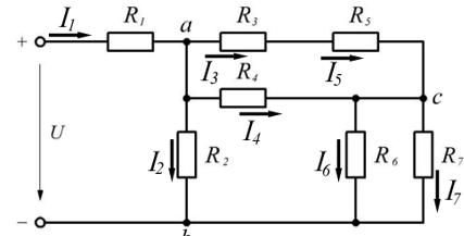
Условие:
В задании требуется:
– вычислить токи в ветвях методом свертки,
– составить баланс мощностей для проверки правильности решения,
– построить потенциальную диаграмму замкнутого контура (подписать узлы на схеме).

Рисунок 1.1 – Схема
Дано: U = 35 В, R1 = 15 Ом, R2 = 10 Ом, R3 = 10 Ом, R4 = 20 Ом, R5 = 20 Ом, R6 = 10 Ом, R7 = 20 Ом.
