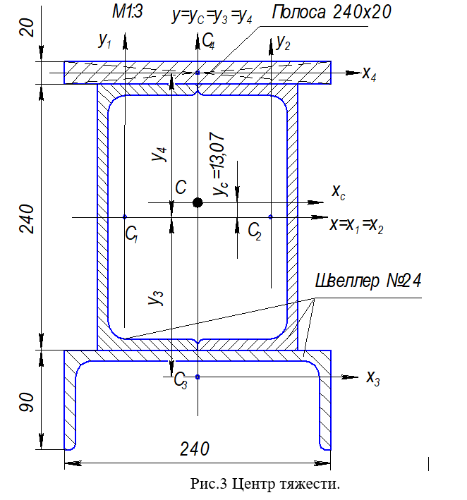
Условие:
Определить положение центра тяжести сечения, составленного из проката, номера которого указаны на рисунке.


Определить положение центра тяжести сечения, составленного из проката, номера которого указаны на рисунке.

Вычерчиваем в масштабе заданные профили, указываем центры тяжести каждого профиля. Сечение состоит из профилей проката и полосы.
Выбираем координатные оси х и у, относительно которых определяем координаты центра тяжести всего сечения.
1.Положение центра тяжести сечения относительно осей х и у определяем по формулам.
Не нашел нужную задачу?