Условие:
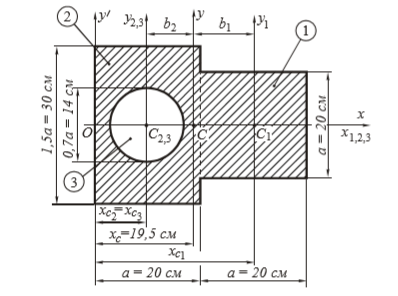
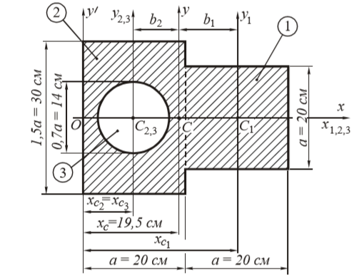
Задано сечение (рис. 2.5). Размеры сечения заданы в сантиметрах.

Рисунок 2.5
Требуется построить главные центральные оси инерции и определить главные центральные моменты инерции сечения.
Решение:
1. Сечение вычерчивается в масштабе 1:2 и разбивается на простейшие фигуры: квадрат (1), прямоугольник (2) и круговое отверстие (3). На чертеже показываются центры тяжести составляющих фигур (точки C1 и C2,3) и проводятся их главные центральные оси x1, y1; x2, y2 и x3, y3 (рис. 2.5).

Рисунок 2.5
Площади и моменты инерции составляющих фигур относительно их центральных осей вычисляются по фо...
