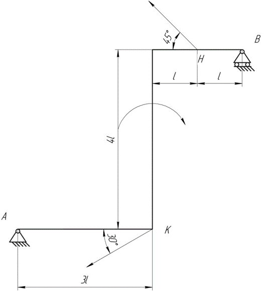
Условие:
Жесткая рама закреплена в точке А шарнирно, а в точке В прикреплена или к невесомому стержню ВВ1, или к шарнирной опоре на катках; стержень прикреплен к раме и к неподвижной опоре шарнирами.
На раму действуют пара сил с моментом М = 100 Н·м и две силы, значения которых, направления и точки приложения указаны в таблице. Определить реакции связей в точках А и В, вызываемые заданными нагрузками. При окончательных подсчетах принять l = 0,5 м.
Дано: 


