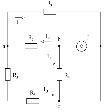
Условие:
Для электрической цепи, схема которой изображена на рисунке 1, выполнить следующее:
1. Определить входное сопротивление или входную проводимость относительно зажимов источника.
2. Определить напряжения и токи на всех участках цепи, используя закон Ома.
3. Произвести проверку полученного решения, рассчитав баланс мощности.

Рисунок 1 – Схема электрической цепи


