Условие:
1. Определить степень подвижности зубчатого механизма по формуле Чебышева.
2. Разбить механизм на планетарную и простую ступени (в скобках указать номера звеньев, входящих в ступени).
3. Составить и вычислить передаточное отношение механизма по известным числам зубьев колес.
4. Вычислить частоты вращения всех звеньев механизма аналитически.
5. Подсчитать диаметры зубчатых колес; вычертить в масштабе схему зубчатого механизма; построить план линейных скоростей.
6. Вычислить частоты вращения всех звеньев механизма графически. Сравнить с аналитическими данными.

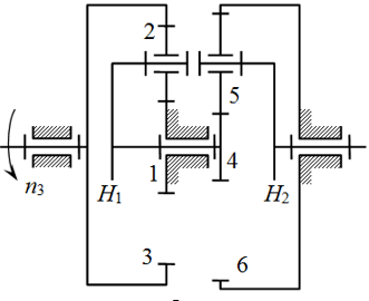
Рисунок 4. Зубчатый механизм
Исходные данные:
n3 = 200 об/мин; z1 = 16; z3 = 80; z4 = 20; z6 = 90, m = 3
